Jump to content

Spector NS5 RD

Moderators
  • Posts

    1,660
  • Joined

  • Last visited

  • Days Won

    28

Everything posted by Spector NS5 RD

  1. this is part of a quote from a post from James on mod resistance calibration...... "(2) Always make sure the Mod Resistance you have is conservative -- keep the value you enter at or lower than the real Mod Resistance. If the value you enter is higher than the real ModResistance of the device, it can negatively affect the stability of the temperature protection system. It's best to measure it if you can, honestly. And then use, say, 80% of that value to give yourself some margin. Having a fairly accurate Mod Resistance will deliver a more accurate power and temperature. The compensation is really only notable in extremely low Ohm coils where the 510's resistance is significant though." here's the link to what i quoted.... /topic/65594-topic/
  2. correct if i'm wrong but aren't you supposed to take 80% of what you see in AA and apply that number to the mod res field? 80% of 0.002 = 0.0016 i left mine at .0016 i don't have the tool or the ambition to make one with solder. you think a bolt with the correct threading would work?
  3. i DO have to change my diagram if you're saying #11 is the output voltage of the charger. as for not knowing for sure if the dna 60 can handle 2 amp charging, is there an option to display usb current in escribe? if not, i doubt the dna 60 will care about the amount of current i'm throwing at the batteries to charge them. i'm guessing #11 is connected internally to #9. if it aint, i have no idea why the 60 board would need or care about the chargers current output.
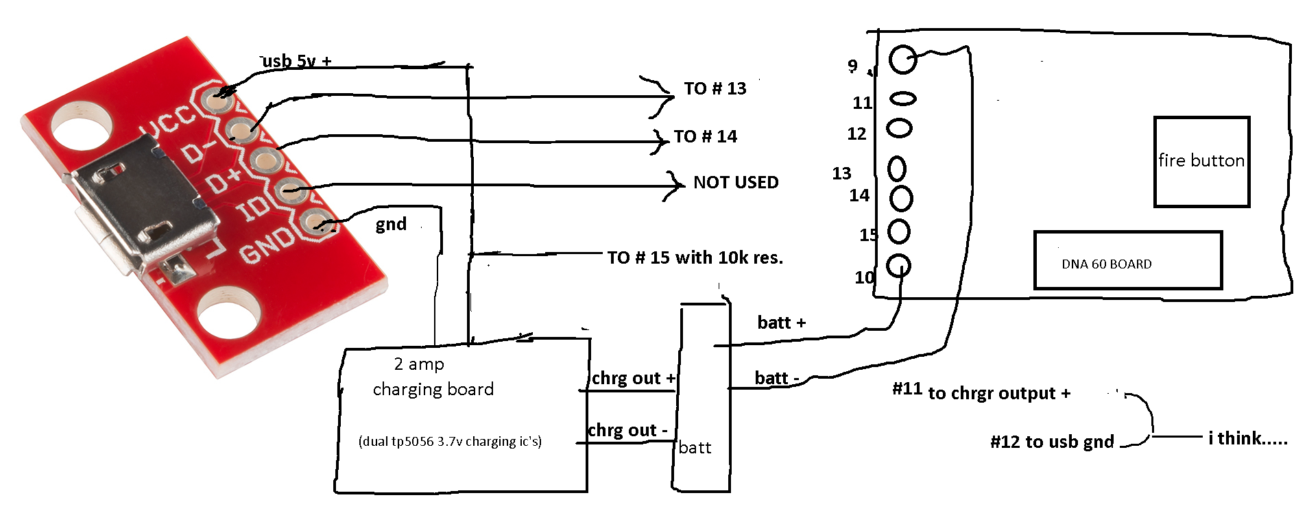
  4. so i think i have it figured out, mostly. #11 is slightly tripping me up. #11 - charger output + / usb power positive #12 - charger/usb - / usb power negative i'm not quite sure if #11 needs usb 5v+ (VCC/VBUS) or if it's for the charger's output to the battery, which would not be 5v+. it would be the chargers output voltage that is going to charge the battery (4.20v). #12 is simple, as it is just the usb's gnd and can be spliced onto gnd on the micro usb breakout board. edit....maybe frogmod would be kind enough to check and see what kind of voltage is between pinout #11 and #12 of the dna 60. if it's 5.XX volts, then that's usb power. if it's close the battery voltage, then we know it's the chargers output that charges the battery. edit.......so frogmod says #11 is the chargers output, not to be connected to usb 5v+. corrected diagram.
  5. thanks ktm and mactavish for the warning. i will post this problem in he beta forum. hopefully there is a quick fix. i too would like to add this update to my shark as well so..... edit....i see James responded and stated his and another co-worker's shark 200 is charging just fine, 2 amps. i dunno, i'm too worried to try this update on my shark since they're proprietary boards and only VS can/will repair anything damaged. call me Scaredy McScaredycat.
  6. if you're asking what on the pcb gave out, would be anyone's guess. could be a combo of the fuse and a usb short. who knows without having the device in hand.
  7. what i'm am going to do when i receive my dna 60 is run two tp4056 charging boards in parallel (paralleling the outputs double the amperage to two amps) powered from a usb breakout board so i can also still connect to escribe. i used this method for my hacked hcigar vt200/75 mod. /topic/65603-topic/
  8. hello and welcome to the forum chaos77. you pretty much answered your question for any of us here. if the mod is dead, completely, best thing to do is what you've already done. if the vendor fails to honor any warranty, exchange or whatever....you could open a help ticket with evolv from their website.
  9. for some reason my gut is telling me to tell you to return the dead mod. if you received the mod DOA i would expect VS to replace it immediately. this "known firmware bug" sounds really........strange to say the least. FYI see if you can trade it for a 133 flask or if you like the form factor of the VS DNA 200, they just announced the new VS DNA 133.
  10. welcome to the forum juggaloassissin. a couple tips for you that work for me...... 1)make sure you have the proper material curve uploaded to your device, whether it be a 316L, Ti, Ni coil - CSV or TCR 2)make sure your atty is at room temp before screwing on to the mod. a proper base resistance is crucial for accurate or even functioning temp control. you can check your build/atty's resistance stability in escribe with atty analyzer. 3) good solid clean connections all the way from your post screw to your 510 and 510 socket. 4) a proper preheat will ensure your wire rises in temp fast enough for the dna board to recognize the wire you're using as "TC" wire. edit.....if you're still having problems, post a screen shot of device monitor with you firing the device a few times. make sure you have power, set power, temp, set temp, cold ohms and live ohms checked - while firing. this "live graph" will help us diagnose your problems
  11. bill check out my post over......here. i can consistently get the 'too hot' error running her at 75w's. https://www.e-cigarette-forum.com/forum/threads/evolv-dna-75.733672/page-23
  12. bill check out my post over......here https://www.e-cigarette-forum.com/forum/threads/evolv-dna-75.733672/page-23
  13. Spector NS5 RD

    DNA 60

    i'd say neither have the actual board. click bait. you know the dna 60 shares almost the same footprint as the 40, right? i'm just wondering why you would get a box that is cut out for the 200 chip.....the 40 is about half the size of a 200 board. or are you planning on using external buttons?
  14. Spector NS5 RD

    DNA 60

    correct. so i think we're good to go. the reason i'm not using evolv's charge/data board is because i plan on gutting either my VS dna 40 or rdna 40. i plan on keeping and re implementing VS's zip charging. i'm leaning towards the dna 40 (internal battery) mod for the fact that the screen scrambles and no atty lock. good candidate for an upgrade, ya dig?
  15. Spector NS5 RD

    DNA 60

    here's how i planned it frogmod, (disregard question mark, i think i have it sorted out) i could be wrong tho. i've seen VCC is also referred to as VBUS so...... the one marked "VCC" on the usb breakout is the vbus and i gotta add a 10k inline to 15. i think you leave "ID" open/not connected to anything. i would connect data + and - accordingly. and splice a second wire with a resistor into the +5v that goes to my 2 amp charging board. and i think i also have to splice the usb gnd to 12. i will try and get instructions on exactly what goes where..... as far as screen placement it's going to be exactly like the dna 40 large screen. the zif connector is in the same spot as the 40's.
  16. the vtc4 is a fine choice for the 75. i picked out a similar battery to the vtc4 but with a tiny bit of an improvement over the sony - i got 4 LG HD2C batts from IMR. they perform slightly better than the sony vtc4. battery mooch says it's a slightly better battery compared to the vtc4. they're also cheaper than vtc's. i run my 75 close to the 75w limit. so that's why i picked these batts. you could actually use the samsung 30q or lg hg2 batts with your build and wattage settings without stressing either two of those batts.
  17. nice, a non vaporshark evolv board with 2 amp charging. i dig it.
  18. sorry yerakon. you are completely correct! the battery curve does directly effect the battery bar and percentage. i am sorry for telling you different. i misunderstood. as for your original question about a LG HG2 battery curve, there are none that i can find for you. if you're familiar with how to use battery analyzer you're going to have to run it yourself to get your battery's specific curve. i am providing a link on how most people ran the battery analyzer program....... /topic/65611-topic/
  19. hi jasonarthur and welcome! i doubt you will find a higher mah lipo to fit inside your halcyon. these lipo mods are built like modern cars today, no room under the hood. everything is shoe horned inside. you might, and i stress MIGHT, get a 950 mah lipo to fit but is the extra 50 mah worth it? not really. if you want stamina in a dna 200 you might want to consider a Triade or Reuleaux.
  20. welcome to the forum ajimmajimm. sorry to hear about your efusion mini. usually "warranty service" means the board is running out of spec or failing self checks. if you have tried doing a hard reboot, reinstalling firmware, disconnect and reconnecting battery etc and nothing works, i would contact your vendor and lost vape first and if they fail to help you, open a help ticket with evolv from their website.
  21. welcome to the forum luckyrum! thank you for you contribution. it is much appreciated!
  22. open a ticket with Evolv. They bend over backwards to help people.
  23. rma the device. or open a ticket with evolv.....or buy a new screen. edit.....have you checked to see if the ribbon cable is being pinched as asked in my first response?
  24. to me, sounds like the screen's ribbon cable is being pinched between the fire button and actuator or the ribbon is loose inside the zif connector. if you go into escribe - help - about escribe - click on evolv logo 7-8 times - a new diagnostic window will pop up in device monitor (de bug section). check the box that says "screen disconnect" a working, secure connected screen will read "0 seconds".
  25. i have my 75 charge screen set up > board temp batt voltage batt %
×
×
  • Create New...