Jump to content

Recommended Posts

Posted

Hi,I'm a DIY enthusiast especially in electronics. I'm actually building a portable Playstation 2 Slim with an IPS display, so that it would look like a Wii U controller. It's my first large electronic endeavor.

However, being portable, I'd need it to be powered by rechargeable batteries. I'm very confused on how to approach the power part of this project. I'll try my best to be detailed as possible! I look forward towards your answers!

——————————————————————————————————————————

Some Details

Looking around, I concluded that a battery pack of 18650s (3S) would do a good job, it seemed straight forward too. Connecting three of them in series will produce a maximum of 12.6V. It's also a bit common, therefore a lot of information about the batteries can be found, and even be salvaged from laptop battery packs.

I have some details on the electronics included in the project so far:

Sony Playstation 2 Slim (Model 75003)

  •     Operational Voltage: 8.5V
  •     Power Consumption: 6 A Maximum

Innolux N070IDG (Yeh, I love nice screens :D)

  •     Type: IPS LCD
  •     Resolution: 1280x800
  •     Size: 7 Inch Diagonal
  •     Operating Voltage: 9-12V (Best at 12V)
  •     Consumption: 190-210mA (full brightness) (Indicated from Bench power supply)
  •     Display Interface: Includes Interface board of HDMI, VGA, 2 x AV.

PAM8403 Audio Amplifier(http://www.kynix.com/Detail/647721/PAM8403.html)

  •     2 Channel
  •     Output: 3W output per channel at 4 Ohms.
  •     Voltage: 5V

——————————————————————————————————————————

The Batteries

I managed to obtain 6 x 18650 Batteries from an old laptop. After some searching, it seems to be Sony SF US18650GR 2400mAH Li-Ion batteries. So I concluded that this seems good enough as a start, three of them.

GTAWb.jpg.7269a057aa2b516b79e117a1c871a8ba.jpg

——————————————————————————————————————————

The Problem

I wanted to use this 3S battery pack with a BMS. After I got the BMS, just as I was about to assemble the pack, i researched some more.

It seems that BMS's do NOT balance cells. I thought, since it has an under and overcharge protection, it will all charge the cells at 4.2V each, when the cell is full but the others are not, it will stop charging for that particular cell and continues on the cells that aren't full. But I seem to be wrong, and it can still be out of balance.

I was wondering.. most consumer devices we use, simply use a DC power charger/supply to re-charge devices, such as laptops or portable speakers, etc. For sure, they must've designed a balancing circuit inside the battery pack or in the device - or they aren't balance charging neither?

Most tutorials mention, that the use of a balance charger with a balance connector is the only way to maintain its performance. I find it rather inconvenient to carry around a balance charger and remove the battery pack from the device to re-charge it.

My question is .. is it possible to design a battery pack, that has necessary protection features such as under/over voltage and over current protection, and design it in a way that it charges through a simple DC barrel charger?

Or is balance charging.. something not completely necessary?

I'm just really scared about using lithium batteries. I don't want to put myself or anyone in harm.

——————————————————————————————————————————

My Possible Solutions

Since I'm not very experienced about lithium batteries, and to me, it seems balancing is so critical. I thought of a few solutions that I hope will be ok to do, I welcome your feed back on them!

Solution A - Use only a 1S3P (or more in parallel) Pack instead and use a TP4056-based USB 5V Charger. Pairing with 3 BOOST converters to power the LCD, PS2 and other electronics at their own voltages, WITH a 1S BMS. (My worry, is that my battery may not be able to handle the current draw.)

JBU0L.jpg.6973f024efe7ea12464fbc26784cc66a.jpg

I'm aware that I'll have to do calculations based on the efficiency of the boost converters as well, to get an accurate current draw from the batteries.

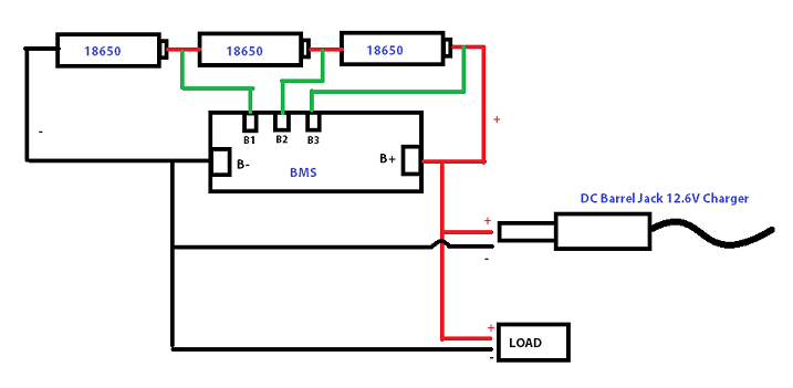
Solution B - My initially decided method, I think the diagram is self explanatory. But I'm hesitant to use this method as I discovered is does not balance the cells (and ruin its life) and can be dangerous.

Ua6Fx.png.e4e890bb9537a06b563f674b905b0f04.png

Solution C - Individually Protect Each CELL with a 1S BMS, AND use a 3S BMS together. It sounds ridiculous, I guess. But somehow I think it will work, but not as great or wouldn't be recommended.

Hh8cu.thumb.jpg.805ee46e95722b7a5c97a133a3ed67f3.jpg

Solution D - The Proper Balanced Method , which would need a use a of bulky balance charger and the inability to use the device while charging (removal of the pack needed to charge). It's really inconvenient, in my opinion.

fD3lJ.jpg.08caaf5c370aecf244e356224e0629cd.jpg

 

——————————————————————————————————————————

Well, thanks for reading, i hope that wasn't too lengthy. I really hope i get an answer out of this once and for all. Because I don't usually ask, I just research. Now I really need help as it can be dangerous if this goes wrong.

Please let me know what you think and what solution is best! I'll try to answer back with the best of my ability.

I'm also eager to know, about what mistakes there could be in my 'possible solutions'! So that I could avoid or correct them in the future.

Once again, Thank you very much.

GTAWb.jpg

JBU0L.jpg

Ua6Fx.png

fD3lJ.jpg

Create an account or sign in to comment

You need to be a member in order to leave a comment

Create an account

Sign up for a new account in our community. It's easy!

Register a new account

Sign in

Already have an account? Sign in here.

Sign In Now
×
×
  • Create New...